
Mini Keypad Locks: Compact and Intelligent Access Control Solutions
As security requirements evolve across commercial, residential, and industrial environments, access control solutions are becoming more compact, smarter, and easier to manage. Traditional mechanical locks, while reliable, often fall short in modern applications that demand flexible access permissions, enhanced security, and simplified operation. In response to these needs, mini keypad locks have emerged as an effective and increasingly popular alternative.
Mini keypad locks combine electronic access control with a sleek, space-saving design. Despite their compact size, these locks deliver advanced functionality, including multi-level user management, programmable access modes, and high environmental protection. Designed for cabinets, lockers, enclosures, drawers, and small doors, mini keypad locks are widely used in offices, gyms, schools, hospitals, factories, retail spaces, and smart storage systems.
This article explores the design, features, technical specifications, applications, and advantages of mini keypad locks, highlighting why they are becoming an essential component of modern security systems.
A mini keypad lock is an electronic locking device that uses a numeric keypad for access authentication instead of traditional keys. Users enter a pre-set code to unlock the mechanism, eliminating the need for physical keys and reducing the risk of loss or duplication.
Unlike full-sized electronic door locks, mini keypad locks are specifically designed for limited installation space. Their compact dimensions and streamlined construction make them ideal for furniture, cabinets, lockers, and metal enclosures where conventional locks may not fit.
Despite their small form factor, these locks integrate advanced electronic control, durable materials, and robust mechanical components to deliver reliable performance in demanding environments.

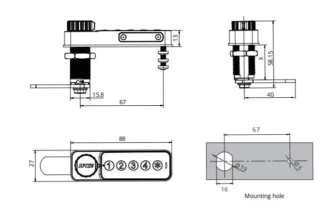
Mini keypad locks are engineered to balance durability, security, and ease of use. Typical specifications include:
- Lock Type: Mini keypad lock
- Housing Material: Zinc alloy
- Surface Finish: Powder coating
- Ingress Protection Rating: IP65
- Power Supply: 1 × CR2032 battery
- Function Length (X): 20.5 mm / 30.5 mm
Each of these elements plays an important role in ensuring long-term reliability and adaptability across different applications.

One of the defining characteristics of mini keypad locks is their all-metal housing, typically manufactured from high-quality zinc alloy. This material offers several advantages:
- Excellent mechanical strength
- Resistance to impact and deformation
- Long service life
- Enhanced protection against tampering
Zinc alloy also allows for precise manufacturing, resulting in a slim, refined lock profile with smooth edges and a professional appearance. Compared to plastic housings, metal construction significantly improves durability and security, making these locks suitable for both indoor and outdoor use.
The powder-coated finish adds an extra layer of protection to the lock housing. This finishing process provides:
Improved resistance to corrosion
Protection against scratches and wear
Uniform color and texture
Enhanced environmental durability
Powder coating also allows manufacturers to offer multiple color options, enabling the lock to blend seamlessly with different cabinet styles and installation environments.
With an IP65 rating, mini keypad locks are well protected against dust and water exposure. This level of ingress protection ensures reliable operation in challenging conditions, including:
- Outdoor installations
- Industrial facilities
- Warehouses and logistics centers
- Humid or dusty environments
IP65-rated locks can withstand water jets and airborne particles, making them suitable for applications where environmental exposure would compromise standard electronic locks.
One of the standout features of mini keypad locks is their ultra-slim and streamlined housing design. The compact profile allows installation in tight spaces without compromising functionality.
The vertical version of the lock is especially well-suited for modern furniture and metal enclosures, offering a clean, minimalist appearance that aligns with contemporary design trends. The all-metal construction further enhances the premium look and feel.
Despite their small size, mini keypad locks deliver powerful access control capabilities through a three-level management system.
Three-Level Code Management
Mini keypad locks typically support:
- Master Code: Full administrative access, used for system setup, resetting, and emergency management
- Manager Code: Intermediate access for daily administration, such as assigning or deleting user codes
- User Code: Standard access for end users
This hierarchical structure allows flexible control in shared environments, ensuring that access permissions are clearly defined and securely managed.
Mini keypad locks offer the ability to switch freely between public mode and private mode, making them suitable for a wide range of usage scenarios.
In public mode, users can set a temporary code to access a locker or cabinet. Once the lock is opened again, the code is automatically cleared. This mode is ideal for:
Gyms and fitness centers
Swimming pools
Libraries
Short-term storage facilities
In private mode, a fixed user code is assigned to the lock for long-term use. This mode is commonly used in:
Offices
Employee lockers
Schools
Residential storage
The ability to switch between modes adds exceptional versatility, allowing the same lock model to serve multiple applications.
Power management is a critical consideration for electronic locks. Mini keypad locks are typically powered by one CR2032 lithium battery, offering long battery life and stable performance.
A key convenience feature is front-accessible battery replacement, which allows users to change the battery without removing the lock or opening the cabinet. This simplifies maintenance and reduces downtime, particularly in installations with multiple locks.
To prevent unexpected power loss, mini keypad locks include a low voltage alarm. When the battery level drops below a certain threshold, the lock alerts the user through visual or audible indicators.
This feature enables proactive battery replacement, ensuring continuous operation and avoiding lockouts caused by depleted batteries.
While electronic access control eliminates the need for physical keys in daily use, emergencies can still occur. Mini keypad locks address this by including a master key for emergency opening.
The master key provides a reliable backup solution in situations such as:
Forgotten codes
Battery failure
System malfunction
This dual-access approach enhances overall reliability and user confidence.
Mini keypad locks are designed for easy installation and retrofitting. They are compatible with standard 16 mm × 19 mm mounting holes, allowing them to replace traditional mechanical locks without extensive modification.
This retrofit-friendly design reduces installation time and labor costs, making mini keypad locks an attractive upgrade option for existing furniture and enclosures.
To accommodate different door thicknesses and installation requirements, mini keypad locks are available with multiple function lengths, commonly including 20.5 mm and 30.5 mm.
This flexibility ensures proper alignment and smooth operation across a variety of cabinet and door designs.
Thanks to their compact size and versatile functionality, mini keypad locks are used in a wide range of applications:
- Filing cabinets
- Storage drawers
- Personal lockers
- Gym lockers
- Shopping mall storage
- Libraries
- Electrical cabinets
- Control panels
- Tool storage
- Hospital storage units
- School lockers
- Laboratory cabinets
- Staff lockers
- Secure display cabinets
- Guest storage solutions
Mini keypad locks provide a significant upgrade over conventional mechanical locks by combining security, convenience, and modern design in a compact solution. One of the most immediate advantages is the elimination of physical keys. Without keys to lose, copy, or manage, both users and administrators benefit from simpler access control and improved security.
Programmable access codes greatly enhance protection compared to traditional locks. Access permissions can be easily created, changed, or deleted without replacing hardware, allowing quick responses to staff changes or security concerns. Multi-level code management further improves control by separating administrative access from everyday user access, making these locks ideal for shared or high-traffic environments.
Flexible user management is another key benefit. Mini keypad locks support public and private modes, enabling them to adapt to different applications such as personal lockers, shared storage, or temporary access scenarios. This versatility reduces the need for multiple lock types within the same facility.
In addition to functionality, mini keypad locks offer a sleek, professional appearance that complements modern furniture and enclosures. Their durable metal construction and streamlined design also contribute to long service life and reduced maintenance costs. Overall, these advantages make mini keypad locks a future-ready access control solution for today’s evolving security needs.
By combining robust metal construction, advanced electronics, and intelligent software, mini keypad locks deliver dependable performance in daily operation. Their design prioritizes both security and user convenience, ensuring smooth access control without unnecessary complexity.
As smart furniture, shared spaces, and automated storage systems continue to grow, the demand for compact electronic locks is increasing rapidly. Mini keypad locks meet this demand by offering a balance of size, functionality, and cost-effectiveness.
Manufacturers and facility managers alike are recognizing the value of these locks as scalable, adaptable security solutions.
Mini keypad locks represent a significant step forward in compact access control technology. With their ultra-slim zinc alloy housing, IP65 protection, intelligent code management, and user-friendly features, they deliver reliable security in a wide range of applications.
Easy to install, simple to maintain, and flexible in operation, mini keypad locks are well suited for modern environments where space is limited but security cannot be compromised. As demand for smart, keyless solutions continues to rise, mini keypad locks are set to play an increasingly important role in the future of secure storage and access control.


